Free BICSI RCDDv14.1 Exam Actual Questions

The questions for RCDDv14.1 were last updated On Dec 17, 2025

At ValidExamDumps, we consistently monitor updates to the BICSI RCDDv14.1 exam questions by BICSI. Whenever our team identifies changes in the exam questions,exam objectives, exam focus areas or in exam requirements, We immediately update our exam questions for both PDF and online practice exams. This commitment ensures our customers always have access to the most current and accurate questions. By preparing with these actual questions, our customers can successfully pass the BICSI Registered Communications Distribution Designer Exam exam on their first attempt without needing additional materials or study guides.

Other certification materials providers often include outdated or removed questions by BICSI in their BICSI RCDDv14.1 exam. These outdated questions lead to customers failing their BICSI Registered Communications Distribution Designer Exam exam. In contrast, we ensure our questions bank includes only precise and up-to-date questions, guaranteeing their presence in your actual exam. Our main priority is your success in the BICSI RCDDv14.1 exam, not profiting from selling obsolete exam questions in PDF or Online Practice Test.

 

Question No. 1

In a transformational program, all projects are on track and delivering their objective. However stakeholders are hesitant to take on the new processes because performance in the current environment may not be representative of actual performance Stakeholders fear that the program will fail to provide the service required.

To assure positive performance in the current environment, the program manager should do which of the following?

Show Answer Hide Answer
Correct Answer: C

Question No. 2

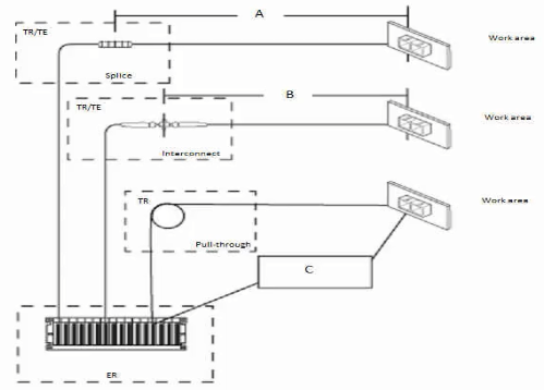
What is the MAXIMUM recommended length for A in the image below?

Show Answer Hide Answer
Correct Answer: B

Question No. 3

Near the completion of a transformation program, the operations manager is concerned that their department failed lo be notified in advance of the new service being transitioned into operations. They claim that their department did not approve this service and is now unprepared and untrained to support the transformation.

What should the program manager have done first to prevent this?

Show Answer Hide Answer
Correct Answer: A

Question No. 4

A program manager is working with the sponsor, stakeholders, and steering committee to formulate a program's benefits sustainment and transition plan What should the program manager do to create this plan?

Show Answer Hide Answer
Correct Answer: D

Question No. 5

Alter an organization initiates a strategic program several project managers express interest in joining the program Team. The program manager's supervisor recommends a list of project managers to be part of the team

What should the program manager do to select the project managers''

Show Answer Hide Answer
Correct Answer: A